中文
English
登陆
|
注册
|
会员中心
|
会员服务
|
服务条款
|
关于我们
|
网站指南
|
客服中心
|
旧版网站
设为首页
收藏本站
加速度传感器
速度/转速传感器
位移传感器
声学传感器
压力传感器
力传感器
扭矩传感器
温湿度传感器
气体流量传感器
液体流量传感器
物(液)位传感器
方位传感器
角度传感器
密度传感器
粘度传感器
接近传感器
光电传感器
图像传感器
信号适调仪
采集分析仪器
气体分析仪
激励系统
传感器标定系统
倾角传感器
其他传感器
激光测距仪
无线传感器
其他仪器仪表
激光传感器
震动传感器
首页
产品中心
供求中心
产品发布
招投标
市场分析
国外公司
新闻中心
展会信息
人才交流
案例及应用
图书
杂志
培训
自动化软件
资料下载
论坛
博客
传感TV
国外传感器网
>
> 美国SDI MODEL2470三轴加速度传感器
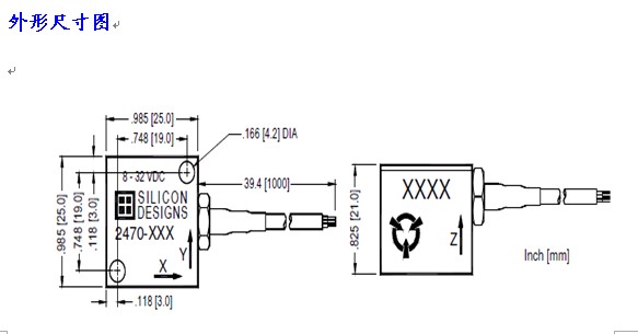
美国SDI MODEL2470三轴加速度传感器
http://www.intl-sensor.com 时间:2011/1/25 11:05:53 点击1040次
技术特点
●三轴加速传感
●微机械电容
●充氮阻尼
● ±
4V差分输出或0.5V到4.5V单端输出
●全校准
●低功率损耗
●
-55到+110℃操作温度
●
+8V到+32V直流电源
●
8线连接
●低阻抗输出将驱动多达
15米长的电缆
●直流和交流加速响应
●可做非标量程
●坚固的铝阳极模块
●低噪声
Model 2470---
应用
●碰撞试验
●机器控制
●振动监控与分析
●模态分析
●机器人
●仪表
●旋转机械的
产品图片:
联系人:张晓雷
电话:029-88248339转8818
传真:029-88226004
手机:18700968057
上一页:
美国SDI MODEL2460三轴加速度传感器
下一页:
COLIBRYS VS9000 VS9002.D VS9010.D VS9030.D VS9050.D VS9100.D VS9200.D 现货代理 深圳市今创奇科技
相关关键词:
相关产品
pcb转速扭矩变送器4000系列
pcb扭矩转速传感器 法兰安装型2000系列
美国pcb旋转扭矩传感器5302C-5310C系列
美国pcb旋转扭矩传感器4203-4207系列
美国pcb旋转扭矩传感器4102-4107系列
美国pcb反作用力扭矩传感器2508系列
美国pcb反作用力扭矩传感器2308系列
美国pcb反作用力扭矩传感器2301系列
推荐产品
Das- 直接加速传感器
AST4000压力传感器
德国SCHMIDT传感器SS20.200/201
美国Quantachrome:Autosorb-1全自动比表面与孔径分布分析仪
GRAS环境噪声监测传声器
GRAS自由场传声器
美国Quantachrome:全自动程序升温化学吸附仪
GRAS RA0045-S1型IEC60711标准耳耦合器
登陆
|
注册
|
会员中心
|
会员服务
|
服务条款
|
关于我们
|
网站指南
|
客服中心
|
投稿
国外传感器网 版权所有
© Copyright By WWW.INTL-SENSOR.COM All Right
业务咨询:010-67152280/67114885/67124125
客户服务:
pcb@intl-sensor.com
物联网
技术支持:
pcb@intl-sensor.com
京ICP备07000717号
京公网安备110101000113号